CJX2交流接触器

CJX2-2510

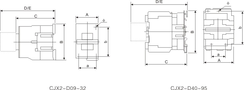
CJX2-D系列交流接触器适用于交流50Hz或60Hz,电压至660V、电流09A至1000A的电路中,供远距离接通与分断电路及频繁起动、控制交流电动机。此外该系列接触器还可加装辅助触头组、空气延时头、机械联锁等附件,组成延时接触器、可逆接触器、星三角起动器,并且可以和热继电器直接配套安装,组成电磁起动器,保护过载的电路。
产品详情

产品介绍:

CJX2-D系列交流接触器适用于交流50Hz或60Hz,电压至660V、电流09A至1000A的电路中,供远距离接通与分断电路及频繁起动、控制交流电动机。此外该系列接触器还可加装辅助触头组、空气延时头、机械联锁等附件,组成延时接触器、可逆接触器、星三角起动器,并且可以和热继电器直接配套安装,组成电磁起动器,保护过载的电路。

产品特征:

符合IEC60947-4-1和GB14048.4标准

技术参数:

769098493_7806224588319573.jpg

CS.jpg



返回列表